DUCATI Monster 400/600/750 マニュアル 79 配線図 Ducati Monster 600-750 Service Manual Electrico | PDF
(3603件)
Pontaパス特典
サンキュー配送
5903円(税込)
60ポイント(1%)
Pontaパス会員ならさらに+1%ポイント還元!
送料
(
)
3602
配送情報
お届け予定日:2026.04.11 13:37までにお届け
※一部地域・離島につきましては、表示のお届け予定日期間内にお届けできない場合があります。
ロットナンバー
35437156397
お買い物の前にチェック!
Pontaパス会員なら
ポイント+1%
ポイント+1%
商品説明



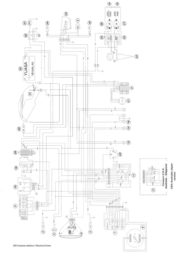
DUCATIのモンスターシリーズの2001年モデル用ワークショップマニュアル。\r\r- ブランド: DUCATI\r- モデル名: Monster 100, Monster 600, Monster 750\r- マニュアルの種類: ワークショップマニュアル\r- モデル年: 2001\r\rご覧いただきありがとうございます。\r\r日本語/英語 表記です \r80サイズ前後での発送予定です
| カテゴリー: | 車・バイク・自転車>>>アクセサリー>>>カタログ・マニュアル |
|---|---|
| 商品の状態: | 目立った傷や汚れなし","細かな使用感・傷・汚れはあるが、目立たない |
| ブランド: | Ducati |
| 配送料の負担: | 着払い(購入者負担) |
| 配送の方法: | ゆうパック |
| 発送元の地域: | 未定 |
| 発送までの日数: | 1~2日で発送 |
レビュー
商品の評価:




4.8点(3603件)
- うえっち1973
- tpu 015918 太陽系 宇宙 惑星 普通
- Yuily831
- 見た目のカッコ良さと機能性で購入を決めました。 少し貼りづらいですが、2枚入りでよかったです。
- のりさん4279
- エアポッツプロにホコリが入るのが嫌で探していたダストガード。可愛い色味のものに出会えました!付けてみるとより可愛くて馴染みます!買ってよかった(´・ω・`)
- haru2991
- 商品がすぐに届いて良かった ホコリとかがほんとに入らなくて助かってます
- TTS5983
- 説明書がなく、使い方が少しわかりにくかったです。メールで問い合わせたところ、すぐに教えていただきました。
- カンタロ77
- 落下防止に購入。AirPodsProの意味・・・とも思いましたが使用感など満足です。
- JUN369267
- とても貼りやすく、すぐ届いたのでよかった!
- しんちゃん46
- 貼るのが大変だがかっこいいしよきです。きちんと閉まらず若干隙間ができてしまうが、使用上問題ない。
- たなびくす
- もしかしたら使えんかもと思ってたけど、これ普通につかえます。あんしんしてくだせぇ
- 蠍座☆子
- 購入して翌日到着で素早い対応! シールは貼りにくかったものの 見た目もクール! ウエットとドライのワイパーも同梱されていて、到着後すぐに貼ることが出来ました!
- su-ko123
- 厚みがないのでケースと干渉しないのでとてもよいです。 薄いので貼りにくいかと思いましたが、簡単に貼ることが出来ました。
- しんゆうりまちゃん
- お値段がお安いけど、とても可愛いしスマホにもきっちり馴染んで使い易いです。ただ、素材の匂いか何かはわかりませんが、少し香りが気になります。それを除けば最高だと私は思います。
- YO2600
- もっと貼りづらいのかと思ったけど、結構キレイ貼れました。 貼り方の説明書あればもっと良かったかも。 後は効果に期待かな。
すべて見る
お店の情報
7,367
連絡・応対
4.3
配送スピード
4.3
梱包
4.3










